什么是安全控制電路的等級劃分呢?國內生產企業,在機器設備出口到歐盟時候,都需要進行CE認證。在CE認證的過程中我們就會在電氣控制電路的設計中遇到所謂“安全等級”的概念。那么如何來區分電氣控制電路的安全等級?如何來設計電路以達到安全認證的要求?
首先,我們在設計一套機器之前,必須對該機器進行風險評估。要從各個方面、各個部位,評估這臺機器會帶來什么樣的危險,終確定這臺機器(或其中某一部分)的危險等級。在劃分危險等級時候,需要根據歐洲機器安全標準EN 954-1,將危險等級分為B,1,2,3,4五個等級,危險等級依次增高,等級4為高的危險等級。危險等級的劃分和確定如圖1所示:

圖1
在完成一臺機器(或其中某一部分)的風險評估、確定其危險等級后,就必須采取一系列的措施來降低風險。如機械結構上的設計改進、安全防護措施的增加、安全控制電路的使用等等。
對于安全控制電路的設計,也必須符合所要求的安全等級。根據歐洲機器安全標準EN 954-1,對應于危險等級的5個等級,控制電路的安全等級也分為B,1,2,3,4五個等級,安全等級依次增高,等級4為高的安全等級。舉例來說,一臺機器(或其中某一部分)的危險級別確定為4級,那么相應的安全控制電路的安全等級也必須為4級。
等級B要求與安全功能有關的控制電路在設計、選擇和組裝過程中必須使用符合基本安全準則和有關標準的安全開關電器。安全控制電路要能夠承受語氣的運行強度,能夠承受運行過程中工作介質的影響和相關外部環境的影響。等級B是基本的等級,其他等級都必須滿足等級B的要求。
與等級B相比,等級1要求使用成熟的元器件,即在相似的應用領域有過廣泛和成功的使用,或是根據可靠的安全標準制造的元器件,以及使用成熟的技術。
等級B和等級1的典型接線示例如圖2:

圖2
在等級B和等級1中,安全控制系統對故障的承受能力主要是通過采用適當的元器件來實現。如圖所示,保險絲F0和急停按鈕S0串聯在主控回路中。若采用合理的保險絲和可靠的急停按鈕,這個回路里的風險我們是可以接受的。但當安全控制電路中出現任何一個單一故障,如急停按鈕觸點焊死,都會導致安全功能的丟失。故這個控制回路的安全等級只能夠是B級或1級。
在危險機械的設計中,等級B和等級1很少使用。通常常使用的是等級2,3,4。這些安全等級的具體描述如下:

圖3
我們可以把一個簡單的控制電路分成信號輸入部分(如急停按鈕、限位開關、光柵)、控制部分(如繼電器、PLC)和輸出部分(如控制電機用交流接觸器)。根據EN 954-1中安全等級的描述,若要達到安全等級2級及其以上,控制部分必須使用安全的元器件,如安全繼電器、安全PLC等。在所使用的安全繼電器達到要求的安全等級的基礎上,我們通??梢酝ㄟ^信號輸入部分的接線來判斷等級2、3、4。我們現在以急停按鈕為例,分析這三個安全等級的應用接線。
若是使用單通道信號輸入,進入安全繼電器,那么這個控制電路的安全等級是在2級,如圖4所示。

圖4
若使用雙通道信號輸入,進入安全繼電器,同時不可檢測兩個輸入觸點間的短路。那么這個控制回路的安全等級是在3級,如圖5所示。

圖5
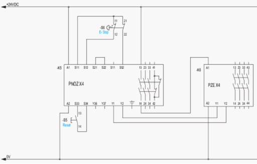
若使用雙通道信號輸入,進入安全繼電器,同時可檢測兩個輸入觸點間的短路。那么這個控制回路的安全等級是在4級,如圖6所示。

圖6
- 上一篇:Pilz皮爾磁控制和監測技術介紹




